Toggle navigation
首页
文库 PPT课件
专题培训
总结讲话
应急预案
事故警示
盲板抽堵作业
有限空间
特殊作业
现场管理
双重预防
日常培训
合集下载
首页推荐
热门佳作
新发布
应急预案
应急预案知识
应急预案体系
应急预案实列
事故案例
灼烫事故
中毒事故
淹溺事故
压力容器
物体打击
坍塌事故
事故案例PPT
其他事故
起重事故
爆炸事故
安全文档
又车安全
总结
综合
征文
责任书
演讲稿
心得体会
实施方案
计划
活动方案
安全法规
综合法规
学习心得
新安全生产法
安全教育
综合试题
注安考试
职业卫生试题
消防试题
危化品试题
特殊作业试题
矿山试题
建筑试题
法规试题
电力试题
安全课件
综合课件
用电安全
隐患排查
消防安全
夏季安全
危化品安全
施工安全
三级教育
燃气安全
气瓶安全
会员
中心
登录
注册
首页
推荐文档
推荐文档1
/ 安全生产目标管理考核细则[文档]
docx
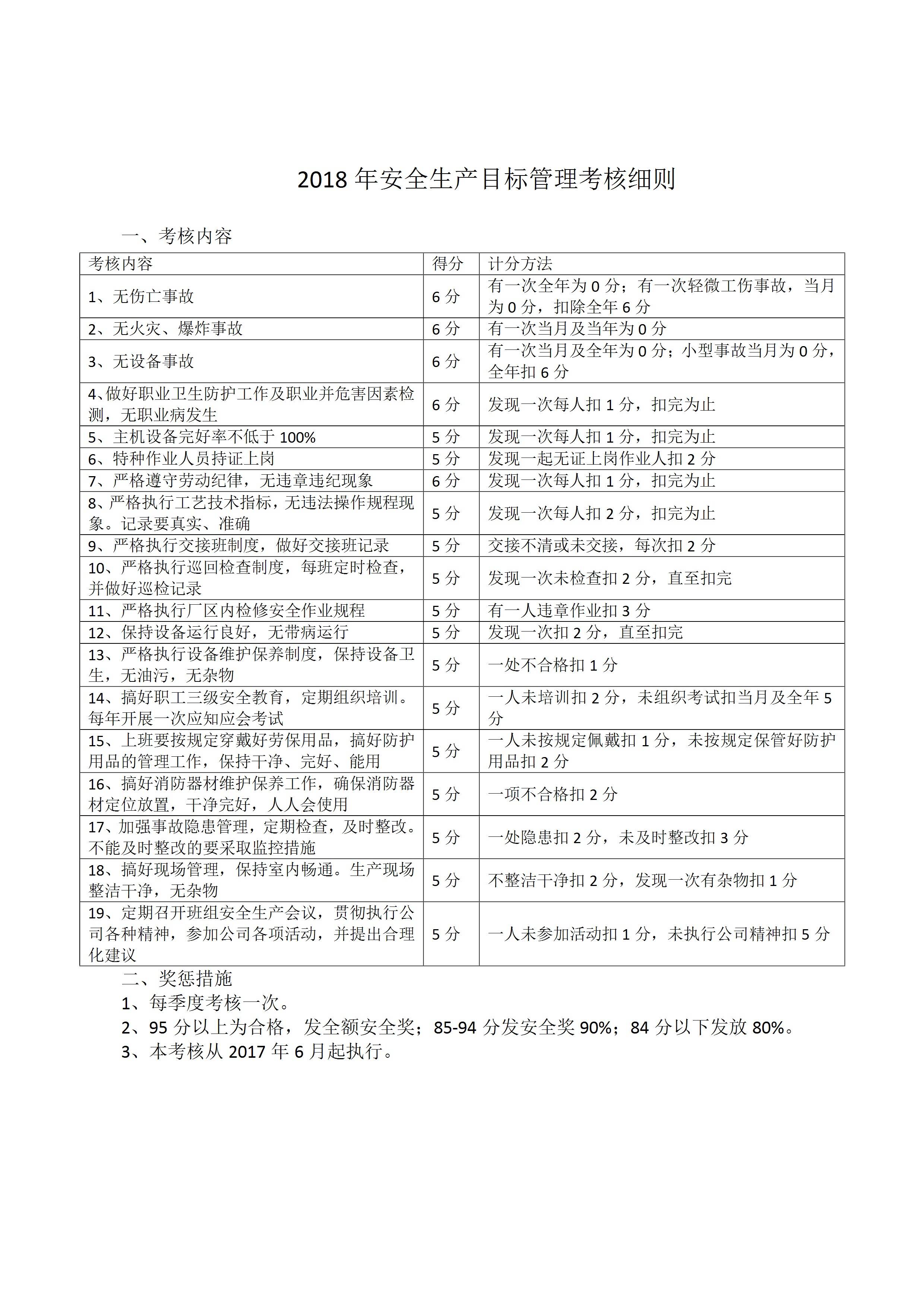
安全生产目标管理考核细则[文档]
发布 2025-09-17 17:42:22
阅读 441
大小 14.34 KB
收藏
手机查看
VIP会员可免费下载与转存
开通会员
点赞(
0
)
本文分类:
推荐文档1
本文标签:无
浏览次数:
441
次浏览
发布日期:2025-09-17 17:42:22
本文链接:
https://aq.gw147.cn//cms/tuijianwendang1/29244.html
上一篇 >
安全生产管理制度汇编模板[文档]
下一篇 >
安全生产管理制度汇编[文档]
企业双重预防机制建设体系文件参考模板[ZIP]
企业全套安全工作会议例会记录模板[ZIP]
企业安全用电及隐患排查[ZIP]
全面版三违详细清单[ZIP]
联系客服
微信扫一扫咨询
微信公众账号
微信扫一扫加关注
发表
评论
返回
顶部