xlsx
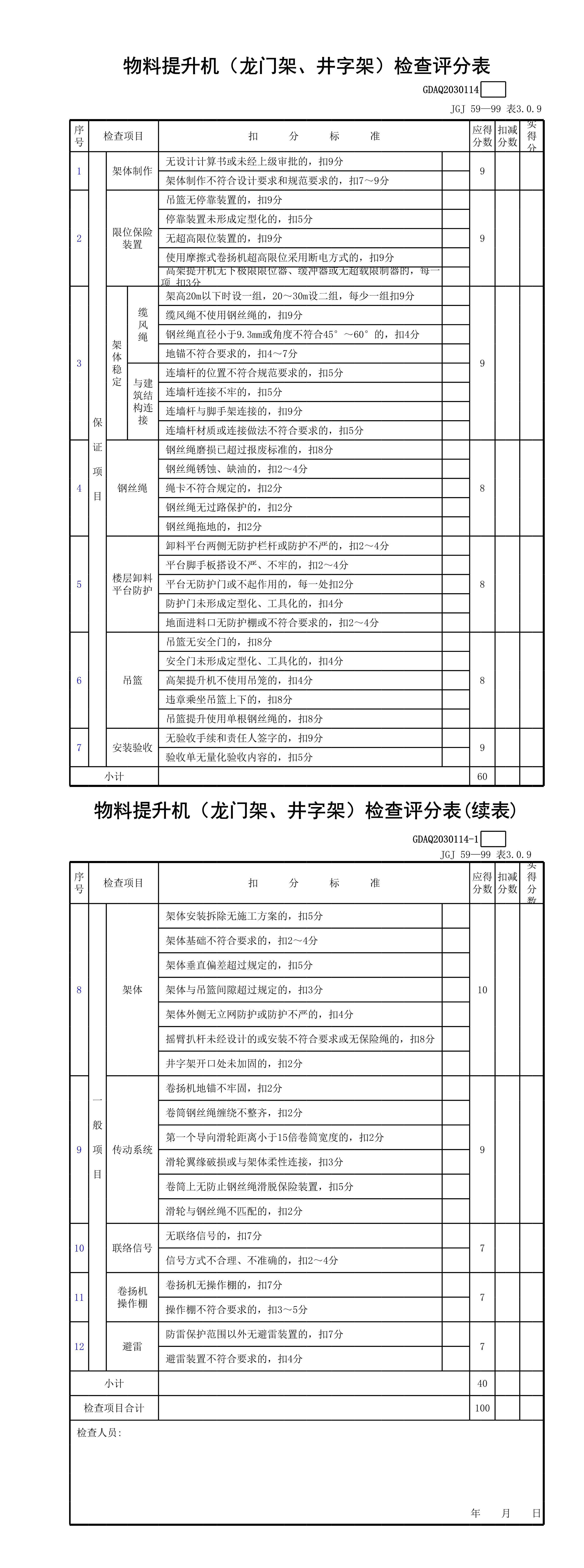
物料提升机(龙门架,井字架)检查评分表(含续表)GDAQ2030114[表格]
发布 2025-09-18 15:42:08
阅读 339
大小 18.23 KB
VIP会员可免费下载与转存

